Listrik dinamis adalah listrik yang mengalir. Listrik mengalir pada dasarnya adalah gerakan elektron-elektron karena adanya beda potensial. Secara umum, aliran arus listrik bersumber dari pembangkit listrik, generator, baterai, aki, dan elemen volta.
1. Arus Listrik
Arus listrik adalah aliran muatan-muatan listrik pada suatu rangkaian tertutup. Arus listrik dapat timbul karena ada beda potensial pada dua titik. Arus listrik mengalir dari potensial tinggi ke potensial yang lebih rendah. Besarnya arus listrik dapat dihitung secara matematis dengan rumus sebagai berikut:
Keterangan:
I = Kuat Arus (Ampere)
Q = Muatan Listrik (Coulomb)
t = Waktu (sekon)
Contoh soal:
Jika sebuah kawat penghantar listrik dialiri muatan listrik sebesar 360 coulomb dalam waktu 1 menit, tentukan kuat arus listrik yang melintasi kawat penghantar tersebut?
Pembahasan:
Diketahui:
Q = 360 C
t = 1 menit = 60 s
Ditanyakan: I = ….?
Jawaban:
I = Q/t
I = 360 C/60 s
I = 6 A
Jadi kuat arus listrik yang melintasi kawat penghantar tersebut sebesar 6 A.
Kuat arus listrik dapat diukur dengan menggunakan amperemeter.
2. Rangkaian Listrik
Rangkaian listrik terbagi menjadi 3 macam yaitu: rangkaian listrik seri, rangkaian listrik paralel, dan rangkaian listrik campuran.
- Rangkaian listrik seri adalah rangkaian listrik yang tidak memiliki percabangan kabel. Apabila kabel terputus maka tidak ada arus yang mengalir di dalam rangkaian dan seluruh lampu akan mati.
- Rangkaian listrik paralel adalah rangkaian listrik yang memiliki percabangan kabel. Jika salah satu kabel dalam rangkaian paralel terputus maka arus listrik akan tetap mengalir pada kabel lainnya yang masih terhubung dengan sumber listrik dan beberapa lampu lainnya akan tetap menyala.
- Rangkaian listrik campuran adalah rangkaian listrik gabungan dari rangkaian listrik seri dan rangkaian listrik paralel.
3. Hukum Ohm
Kuat arus listrik yang mengalir pada suatu penghantar sebanding dengan potensial kedua ujung penghantar tersebut dan berbanding terbalik dengan hambatan listrik pada penghantar itu. Jika dirumuskan menjadi:
Keterangan:
I = kuat arus listrik (A)
V = beda potensial listrik (V)
R = hambatan listrik (Ohm)
Pada rangkaian seri dan paralel, ketentuan yang berlaku sebagai berikut:
a. Rangkaian Hambatan Listrik Seri
b. Rangkaian Hambatan Listrik Paralel
Jika sebuah hambatan listrik R dihubungkan sumber tegangan (E) yang mempunyai hambatan dalam (r), akan mengalir kuat arus (I) sebesar:
Keterangan:
I = kuat arus listrik dengan satuan ampere (A)
E = tegangan/GGL sumber arus dengan satuan volt (V)
R = hambatan listrik dengan satuan ohm (Ω)
r = hambatan dalam dengan satuan ohm (Ω)
Contoh Soal Hukum Ohm
Perhatikan gambar di bawah ini!
Jika R1 = 3 Ω, R2 = 6 Ω, R3 = 2 Ω, dan I3 = 3A, hitung:
a. Hambatan total rangkaian
b. Tegangan total (VAB)
c. Arus listrik yang mengalir pada R1
d. Arus listrik yang mengalir pada R2
Penyelesaian:
a. Hambatan total rangkaian
Terlebih dahulu kita cari hambatan pengganti untuk R1 dan R2
1/Rp = 1/R1 + 1/R2
1/Rp = 1/3 + 1/6
1/Rp = 2/6 + 1/6
1/Rp = 3/6
Rp = 6/3 = 2 Ω
R total = Rp + R3
R total = 2 + 2 = 4 Ω
b. Tegangan total (VAB)
V = I . R total
V = 3 A . 4 Ω = 12 V
c. Arus listrik yang mengalir pada R1
I1 = V/R1
I1 = 12/3 = 4 A
d. Arus listrik yang mengalir pada R2
I2 = V/R2
I2 = 12/6 = 2 A
4. Hukum Kirchoff

Menurut Hukum Kirchoff pada rangkaian listrik tak bercabang, kuat arusnya sama disepanjang rangkaian tersebut. Pada rangkaian bercabang kuat arus yang memasuki titik percabangan sama dengan kuat arus yang meninggalkan titik percabangan tersebut.
Contoh Soal Hukum Kirckoff
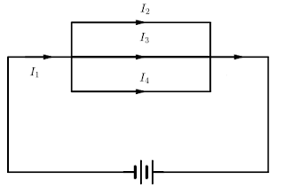
Perhatikan gambar berikut!
Pada rangkaian dia atas, kuat arus yang mengalir pada I1 = 20 A, I2 = 4 A dan I4 = 8A. Tentukan nilai I3.
Pembahasan:
I masuk = I keluar
I1 = I2 + I3 + I4
20 A = 4 A + I3 + 8 A
20 A = 12 A + I3
I3 = 20 A – 12 A = 8 A
5. Sumber Arus Listrik
Secara umum, sumber arus listrik terdiri atas dua jenis, yaitu sumber arus searah (DC) dan sumber arus bolak-balik (AC).
Tabel Sumber Arus Listrik
| Jenis Sumber Arus Listrik | Sumber Arus | Proses Perubahan Energi |
| DC (Direct Current) | Elemen volta | Energi kimia → Energi listrik |
| Elemen kering (baterai) | Energi kimia → Energi listrik | |
| Akumulator (ACCU) | Energi kimia → Energi listrik | |
| Panel surya | Energi kalor → Energi listrik | |
| Dinamo DC | Energi gerak → Energi listrik | |
| AC (Alternating Current) | Dinamo AC | Energi gerak → Energi listrik |
| Generator | Energi gerak → Energi listrik |






